新しい管状転倒スイッチ

2025-11-14

転倒スイッチは信頼性が高く重要な安全保護装置です。その存在により、日常使用におけるさまざまな直立型器具の操作上の安全性が大幅に向上します。


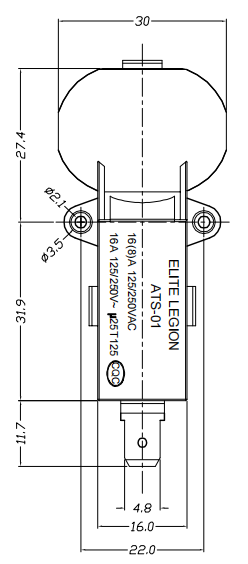
お客様の高まる需要に応えるために、当社は新しいチューブラー チップ オーバー スイッチを導入します。このモデルは、当社の以前の設計とは異なるフォームファクタを特徴としており、よりコンパクトな設置面積を実現し、ペデスタルファン、タワーファン、および同様の機器に見られるような管状構造への統合に最適です。

  

装置が誤って転倒したり、過度に傾いたりした場合、このスイッチは自動的に電源を遮断します。この機能は、火災、感電、機器自体の損傷などの潜在的な危険を防ぐために不可欠です。


X
We use cookies to offer you a better browsing experience, analyze site traffic and personalize content. By using this site, you agree to our use of cookies. Privacy Policy
Reject Accept